Plug

Plug

Product Description

Product Standard
As per IS:1239 (PART2): 1992 Screwed BSP Ends.
The carbon steel used in drop forged steel pipe fittings contains sulphur and phosphorus not exceeding 0.06% each.

End Connections
Screwed Female Ends conform to BSP as per BS21 / IS:554.
Other types of threads i.e. NPT can be given on request.

Test Pressure
IS:1239 (PART2) 1992-Pipe Fittings are tested to 1000 psig. (Hyd.)


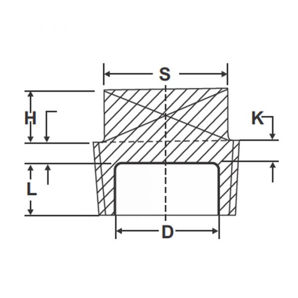
Dimensions (in mm)

Nominal Size of Outlet Minimum Length of Thread for Basic gauge (L) Approx Size of Square (S) Approx Height of Square (H) Maximum Internal Diameter (D)
6 6.5 6 6
8 9.7 9 6
10 10.1 11 10
15 13.2 13 10
20 14.5 14 12
25 16.8 17 12 22
32 19.1 22 16 31
40 19.1 27 16 33
50 23.4 32 19 48

Other Products

Start WhatsApp Chat Start WhatsApp Chat
Valves

Valves

Water Meters

MS Forged Pipe Fittings

Fittings

Water Meters

Valves

DI Grooved Fittings (UL/FM)

Water Meters

DI Screwed Fittings (UL/FM)

Fittings

Composite Pipes & Fittings

Site Credits : Seigospace