Reducing Elbow

Reducing Elbow

Product Description

Product Standard
As per IS:1239 (PART2): 1992 Screwed BSP Ends.
The carbon steel used in drop forged steel pipe fittings contains sulphur and phosphorus not exceeding 0.06% each.

End Connections
Screwed Female Ends conform to BSP as per BS21 / IS:554.
Other types of threads i.e. NPT can be given on request.

Test Pressure
IS:1239 (PART2) 1992-Pipe Fittings are tested to 1000 psig. (Hyd.)


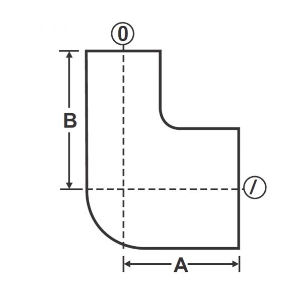
Dimensions (in mm)

Nominal Size of Outlet Minimum Length Center to Face (A) Minimum Length Center to Face (B)
10×8 22 24
15×10 27 32
20×15 32 35
25×20 38 43
32×25 44 51
40×32 48 52
50×40 56 64
65×50 67 76
80×50 73 89

Other Products

Start WhatsApp Chat Start WhatsApp Chat
Valves

Valves

Water Meters

MS Forged Pipe Fittings

Fittings

Water Meters

Valves

DI Grooved Fittings (UL/FM)

Water Meters

DI Screwed Fittings (UL/FM)

Fittings

Composite Pipes & Fittings

Site Credits : Seigospace