Product Standard
As per IS:1239 (PART2): 1992 Screwed BSP Ends.
The carbon steel used in drop forged steel pipe fittings contains sulphur and phosphorus not exceeding 0.06% each.
End Connections
Screwed Female Ends conform to BSP as per BS21 / IS:554.
Other types of threads i.e. NPT can be given on request.
Test Pressure
IS:1239 (PART2) 1992-Pipe Fittings are tested to 1000 psig. (Hyd.)
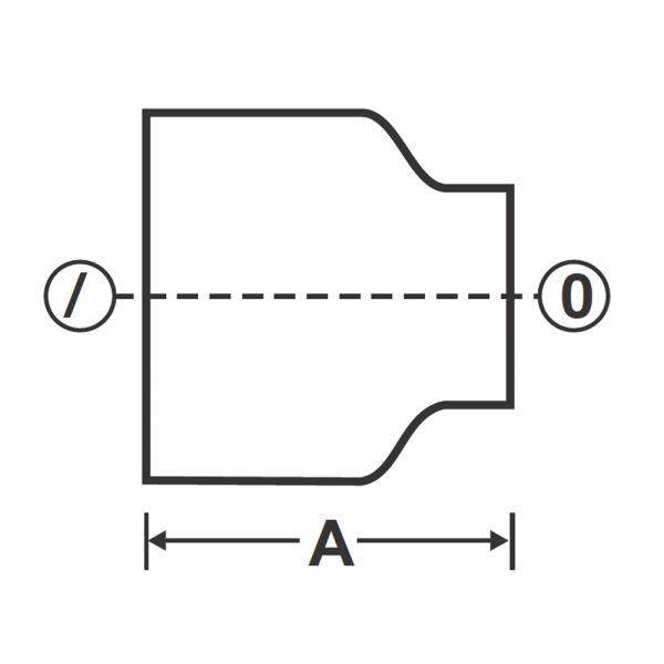
| Nominal Size of Outlet | Minimum Length (A) |
|---|---|
| 10×8 | 29 |
| 15×8 | 40 |
| 15×10 | 38 |
| 20×10 | 43 |
| 20×15 | 41 |
| 25×15 | 51 |
| 25×20 | 49 |
| 32×20 | 57 |
| 32×25 | 56 |
| 40×20 | 64 |
| 40×25 | 62 |
| 40×32 | 60 |
| 50×20 | 68 |
| 50×25 | 67 |
| 50×32 | 65 |
| 50×40 | 64 |