Product Standard
As per IS:1239 (PART2): 1992 Screwed BSP Ends.
The carbon steel used in drop forged steel pipe fittings contains sulphur and phosphorus not exceeding 0.06% each.
End Connections
Screwed Female Ends conform to BSP as per BS21 / IS:554.
Other types of threads i.e. NPT can be given on request.
Test Pressure
IS:1239 (PART2) 1992-Pipe Fittings are tested to 1000 psig. (Hyd.)
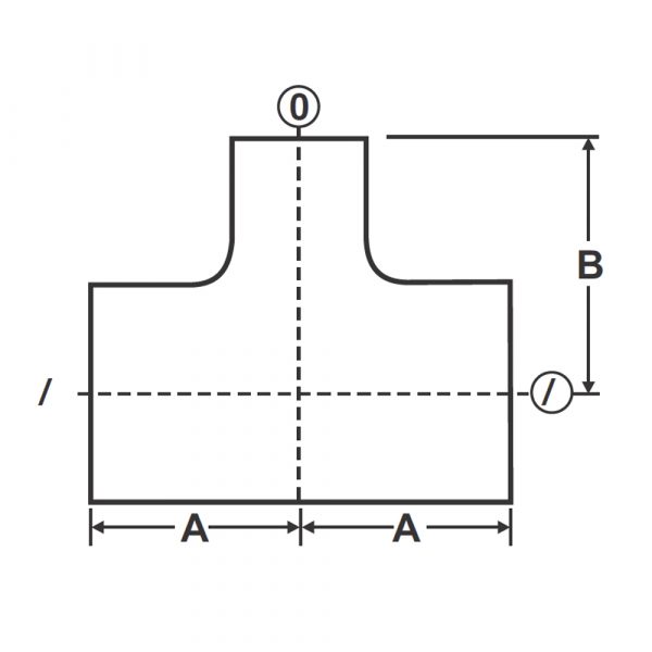
| Nominal Size of Outlet | Minimum Length Center to Face (A) | Minimum Length Center to Face (B) |
|---|---|---|
| 8×6 | 21 | 22 |
| 10×6 | 21 | 24 |
| 10×8 | 22 | 24 |
| 15×8 | 25 | 32 |
| 15×10 | 27 | 32 |
| 20×8 | 27 | 35 |
| 20×10 | 29 | 35 |
| 20×15 | 32 | 35 |
| 25×10 | 30 | 43 |
| 25×8 | 32 | 43 |
| 25×15 | 35 | 43 |
| 25×20 | 38 | 43 |
| 32×10 | 35 | 51 |
| 32×15 | 38 | 51 |
| 32×20 | 41 | 51 |
| 32×25 | 44 | 51 |
| 40×10 | 37 | 52 |
| 40×15 | 38 | 52 |
| 40×20 | 41 | 52 |
| 40×25 | 49 | 52 |
| 40×32 | 49 | 52 |
| 50×15 | 41 | 64 |
| 50×20 | 44 | 64 |
| 50×25 | 48 | 64 |
| 50×32 | 52 | 64 |
| 50×40 | 56 | 64 |
| 65×25 | 54 | 76 |
| 65×32 | 57 | 76 |
| 65×40 | 60 | 76 |
| 65×50 | 67 | 76 |
| 80×25 | 60 | 89 |
| 80×32 | 64 | 89 |
| 80×40 | 67 | 89 |
| 80×50 | 73 | 89 |
| 80×65 | 79 | 89 |