CR-22B Cast Iron Butterfly Valve

Wafer Type (ISI Marked)
CR-22B - Cast Iron Butterfly Valve
  • Application
  • Water

Product Description HSN : 84818030

Product : ‘SANT’ Cast Iron Butterfly Valve
Type of Pattern : Medium Pattern
Product Standard : IS:13095
Pressure / Class / Rating : PN 10/PN 16
Body Material cum Standard : Cast Iron IS:210 Gr.FG200
Description : Wafer Type
Type of Seat : Nitrile / EPDM Lining
Type of Disc : SS CF8
Trim : SS AISI-410
End Details : Suitable insertion between Flanges as per BS 10 Table D/E ANSI B 16.1 Class – 125


Testing & Certification

Ratings:

PN10
Body Test Pressure : 1.5MPa (218 Psig) Hyd
Seat Test Pressure : 1.1MPa (160 Psig) Hyd

PN16
Body Test Pressure : 2.4MPa (348 Psig) Hyd
Seat Test Pressure : 1.8MPa (261 Psig) Hyd

Our Works’ Test Certificate is furnished with every supply.

Materials

Components Materials Specifications
Body Cast Iron IS:210 Gr.FG260
Disc Stainless Steel ASTMA 351 Gr.CF8
Shaft Stainless Steel AISI-410/ IS:6603: 12cr12
Seat Rubber Nitrile / EPDM Lining
Gear M.S.
Lever / Handwheel M.S. / D.I.

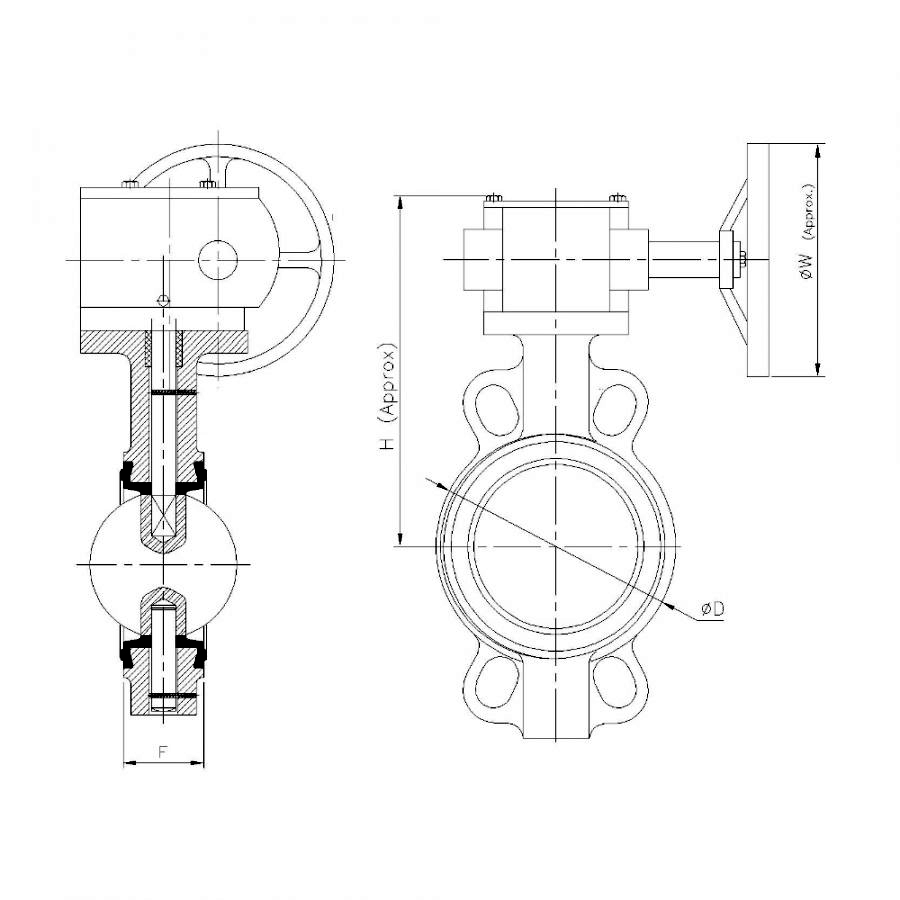
Dimensions (in mm)

Nominal Size Nominal Size (Inches) F ∅D H (Approx.) ∅W (Approx.)
200 8 60±2 260 335 240
250 10 68±2 315 375 240
300 12 78±3 375 400 285
350 14 92±3 418 475 355
400 16 102±3 470 505 355
450 18 114±3 525 580 450
500 20 127±3 575 625 625
600 24 154±3 690 700 625

Notes
1. Product images are for illustration purposes only. Actual product may vary.
2. Actual dimensions may change over time, due to continual design improvements. Please confirm before placing order.

Other Products

Start WhatsApp Chat Start WhatsApp Chat
Valves

Valves

Water Meters

MS Forged Pipe Fittings

Fittings

Water Meters

Valves

DI Grooved Fittings (UL/FM)

Water Meters

DI Screwed Fittings (UL/FM)

Fittings

Composite Pipes & Fittings

Site Credits : Seigospace